产品中心
PRODUCT CENTER
ZW32-24系列户外高压真空断路器
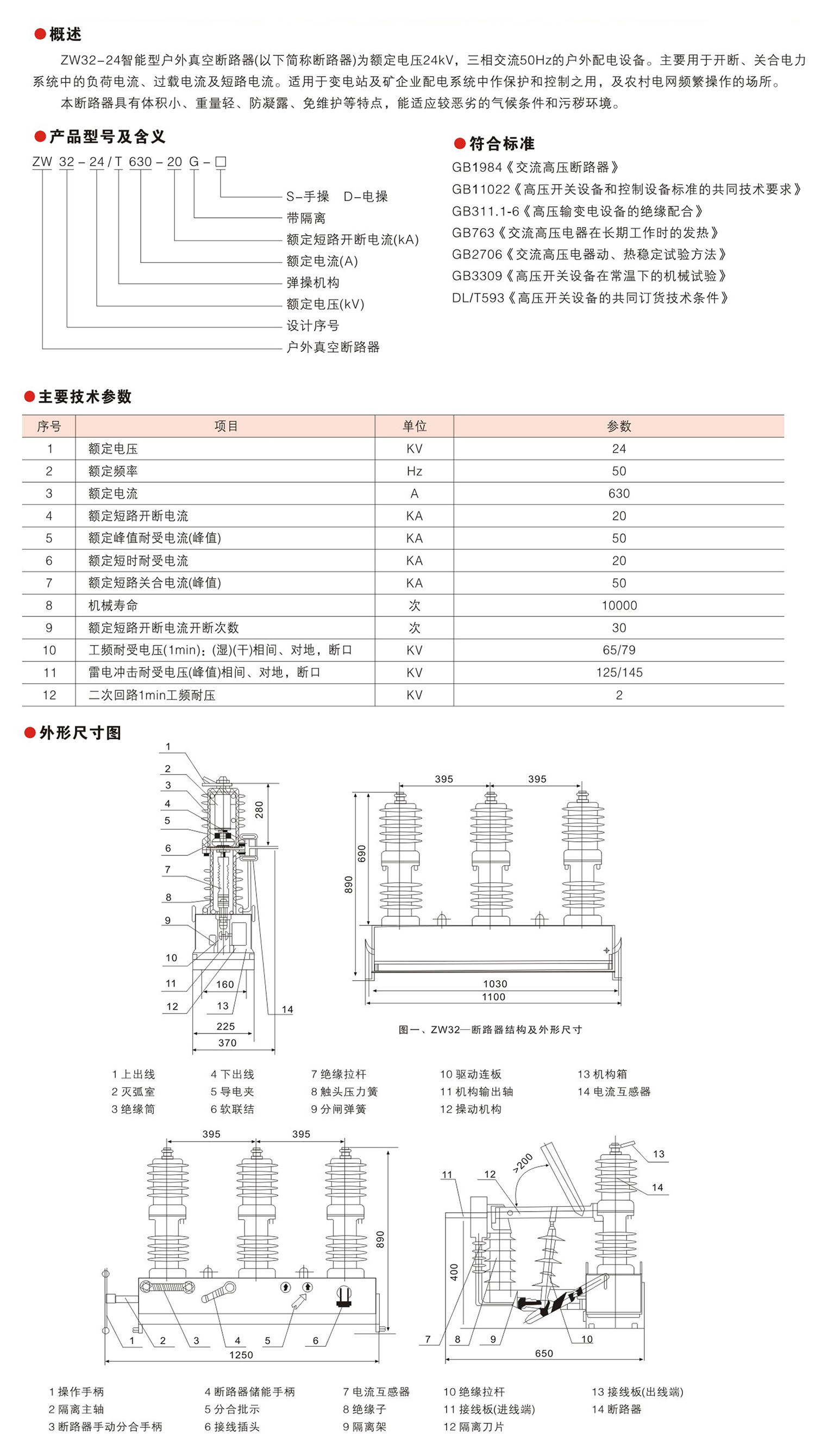
ZW32-24智能型户外真空断路器(以下简称断路器)为额定电压24kV,三相交流50Hz的户外配电设备。主要用于开断、关合电力系统中的负荷电流、过载电流及短路电流。适用于变电站及矿企业配电系统中作保护和控制之用,及农村电网频繁操作的场所。本断路器具有体积小、重量轻、防凝露、免维护等特点,能适应较恶劣的气候条件和污秽环境。
- 产品信息

产品中心
PRODUCT CENTER
ZW32-24系列户外高压真空断路器
